Разрабатываем чертежи ОВ и ВК по России и СНГ
Работаем по России
Оптимизируем цену и объемы
Соблюдаем сроки
от 3 рабочих дней
Расчет за 1 день
[ О нас ]
СОБСТВЕННЫЙ ПРОЕКТНЫЙ ОТДЕЛ из 10 квалифицированных специалистов
ГАРАНТИЯ КАЧЕСТВА И СОБЛЮДЕНИЕ СРОКОВ, прописанных в договоре
АВТОРСКИЙ НАДЗОР: Консультируем во время монтажа вплоть до сдачи объекта
3 часа
максимальное время оценки проекта
10
работников в проектном отделе
>80%
клиентов обращается повторно
Цены на разделы ОВ, ВК, ЭОМ, ОВИК от 300 руб/м2
[ Стоимость ]
Напишите нам
Позвоните нам
*Работаем по будням с 9:00 до 18:00
Оставьте заявку, и мы свяжется с вами в течение 30 минут*
Подготовим расчет стоимости и сроков за 1 рабочий день
Формат выдачи
Другие форматы по требованию клиента
3D с любого ракурса по пожеланию
DWG одним файлом или по отдельности
Архив формата RAR или ZIP
PDF одним файлом или по отдельности
3D модели в формате IFC и 3D DWG
Ведомости объемов работ и оборудования
Все чертежи в формате DWG
Монтажные узлы
Монтажные схемы
Лист общих данных
Титульный лист
В состав чертежей входит
[ Состав ]
Скачайте презентацию о нашей компании
[ Презентация ]
Мы предлагаем стратегическое партнерство в комплексной работе с застройщиками жилых комплексов, крупных промышленных, торговых и офисных центров
НАМ ДОВЕРЯЮТ ИЗВЕСТНЫЕ КОМПАНИИ
[ Клиенты ]
Получите расчет проекта и скидку 20%
Ответьте на несколько важных для нас вопросов
рекомендации и лицензии
На схеме показан весь путь проекта: начинаем с оценки и завершаем передачей готовой документации.
КАК МЫ РАБОТАЕМ
[ этапы работ ]
Вы отправляете нам информацию для расчета проекта
Мы в течение 3 часов высылаем КП, согласовываем сроки и цену
Утверждаем договор, получаем предоплату от 10%
Проектируем и передаем вам чертежи и документацию в соответствии с графиком работ
Сдаем проект полностью и получаем финальную оплату
Сопровождаем в процессе согласования, производства и монтажа металлоконструкций
Ждем ваших новых проектов
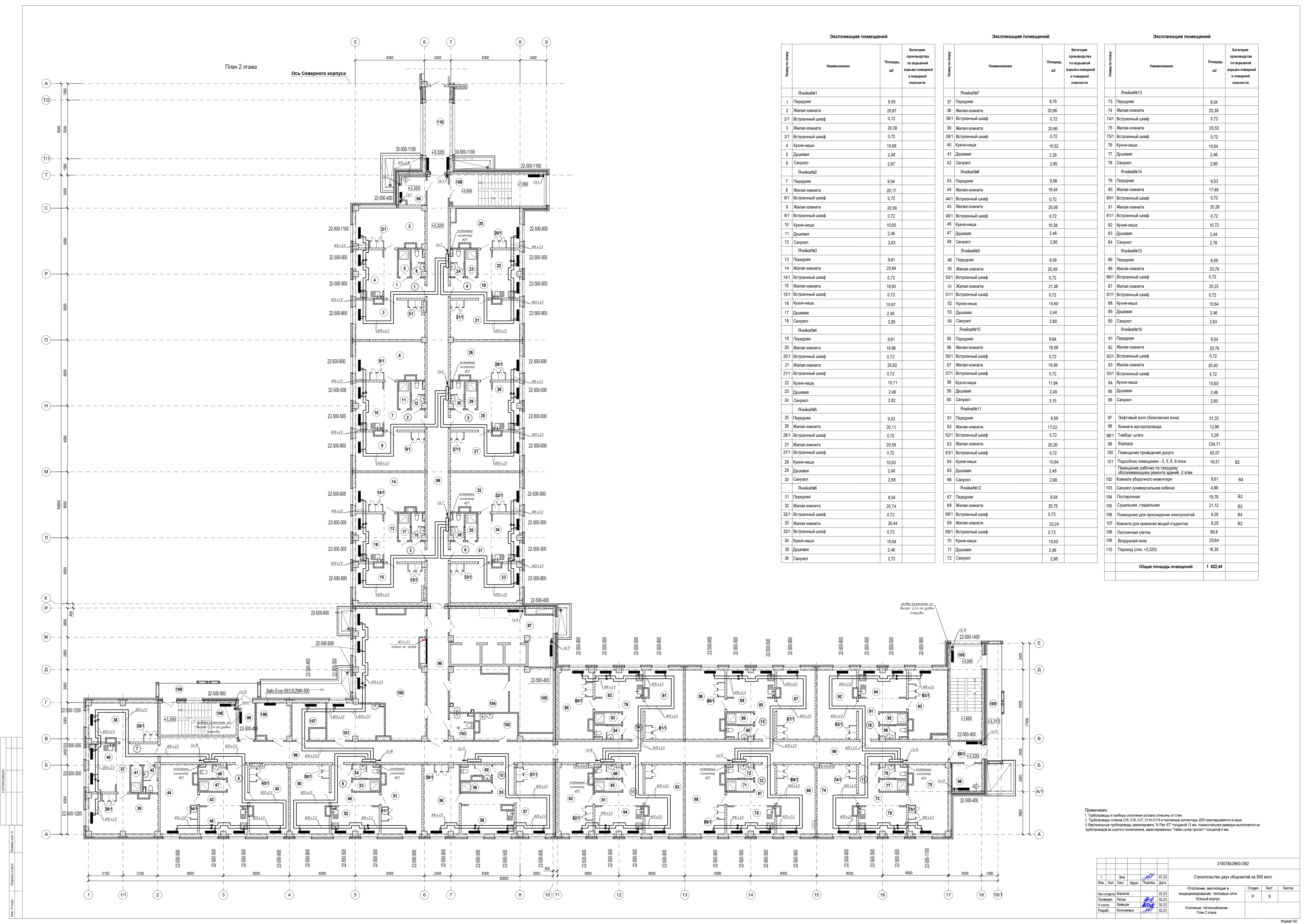
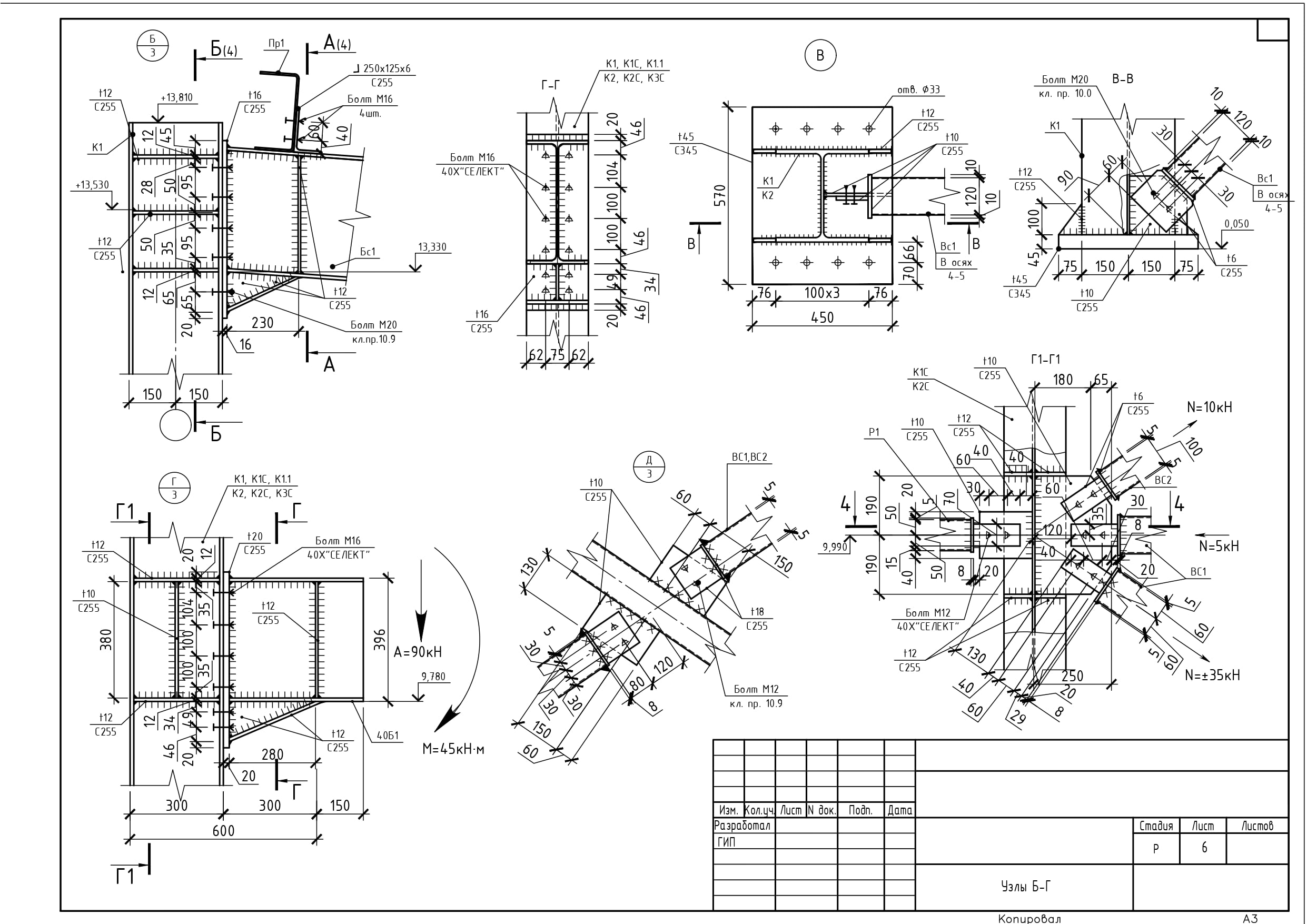
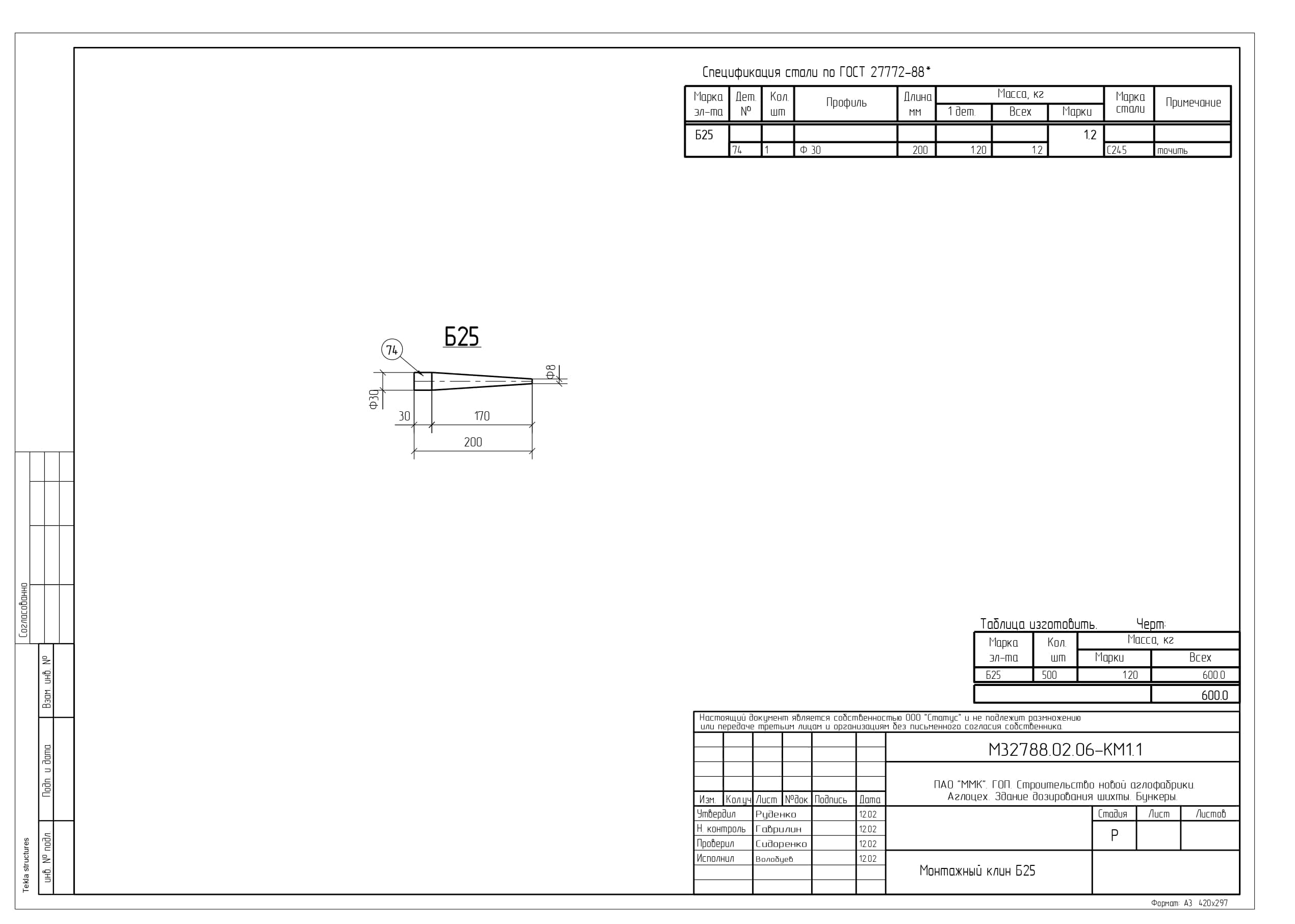
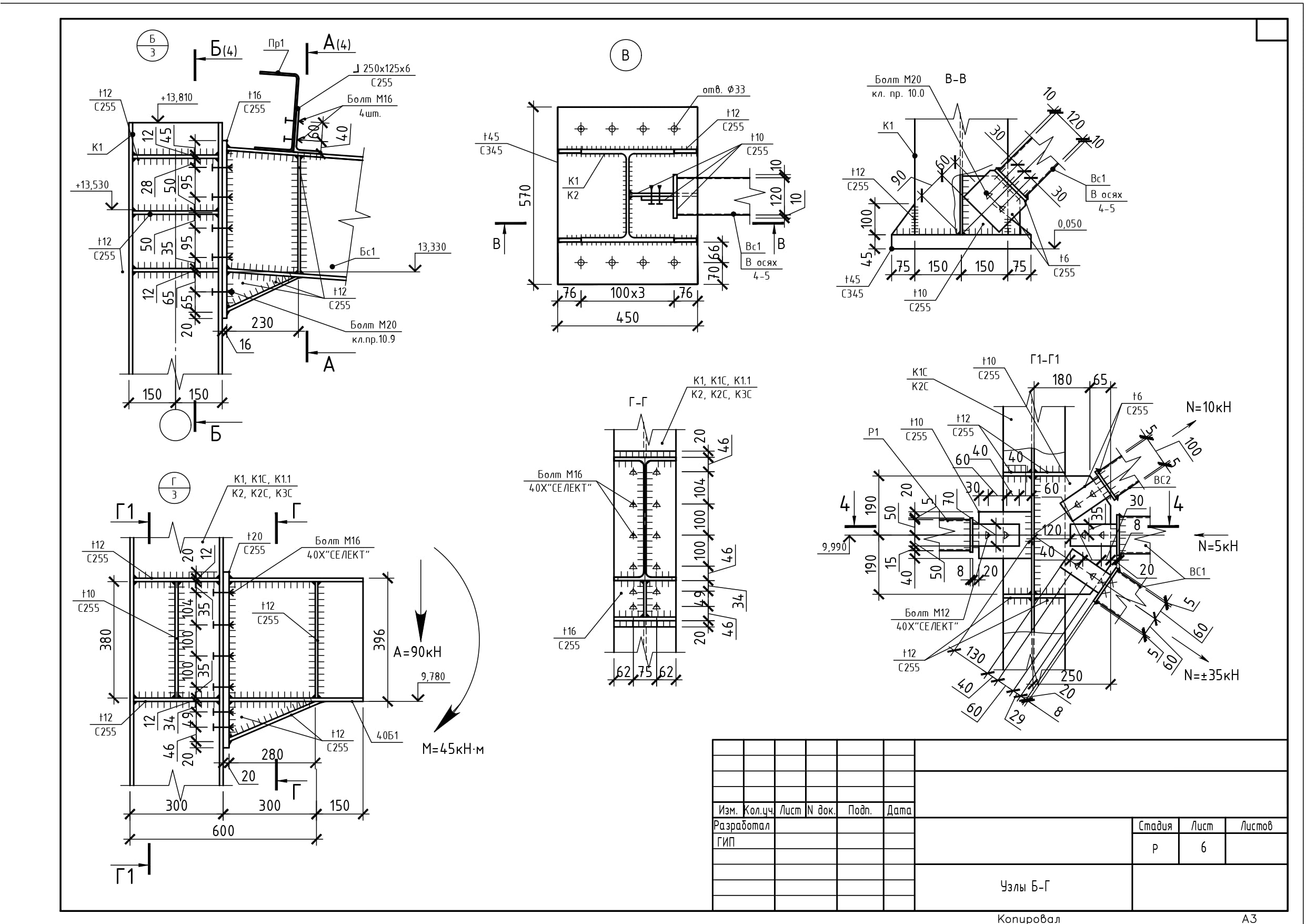
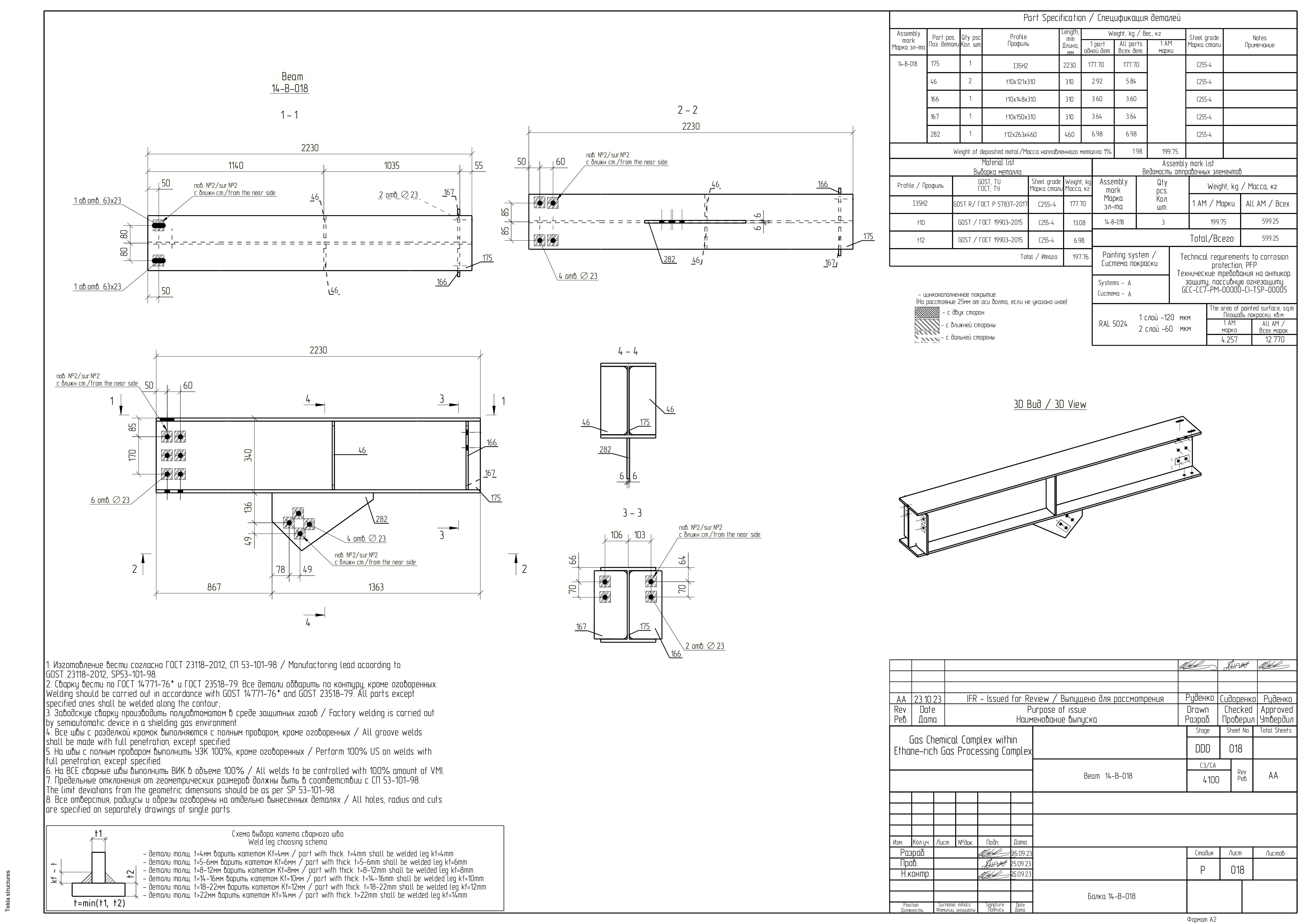
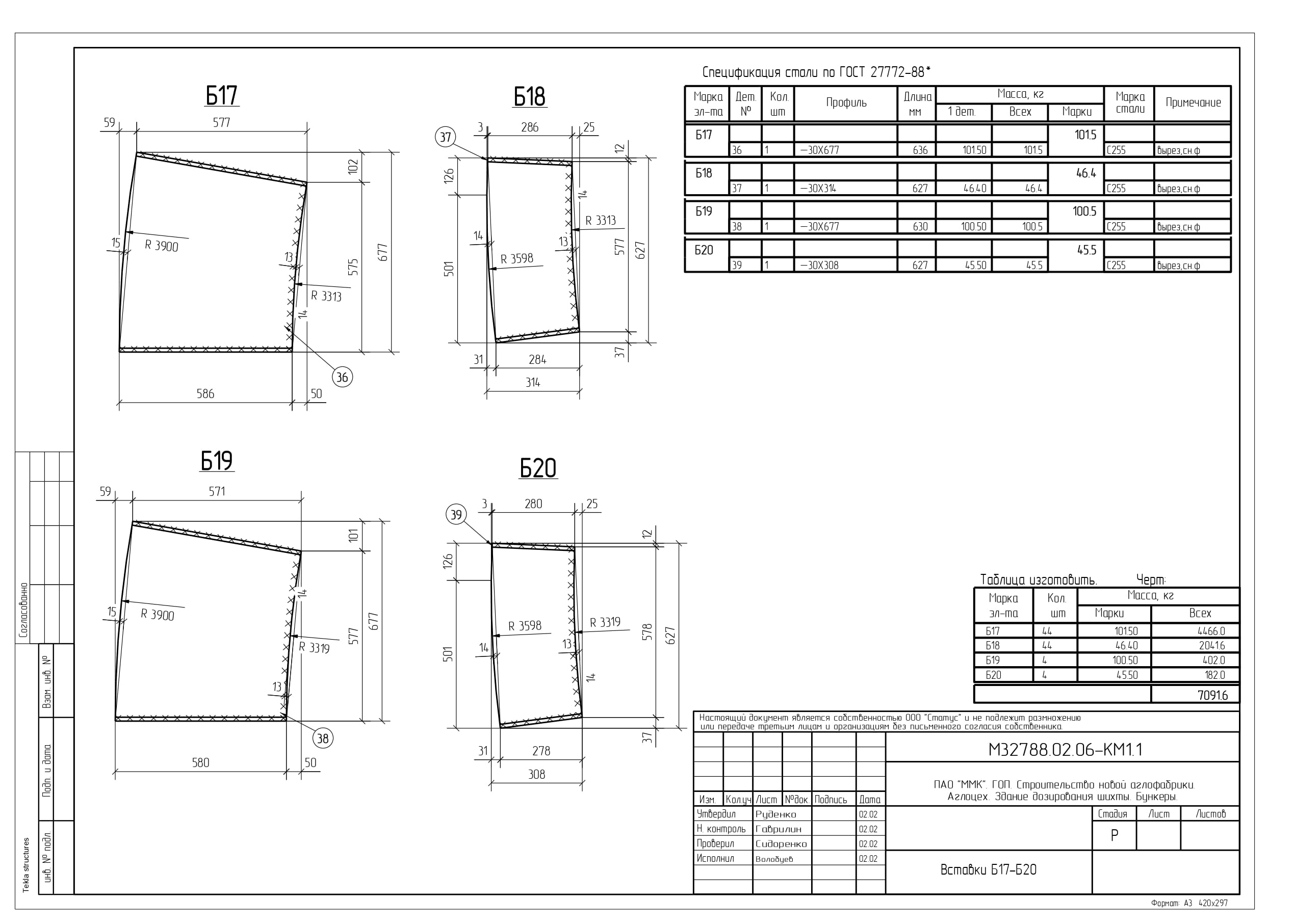
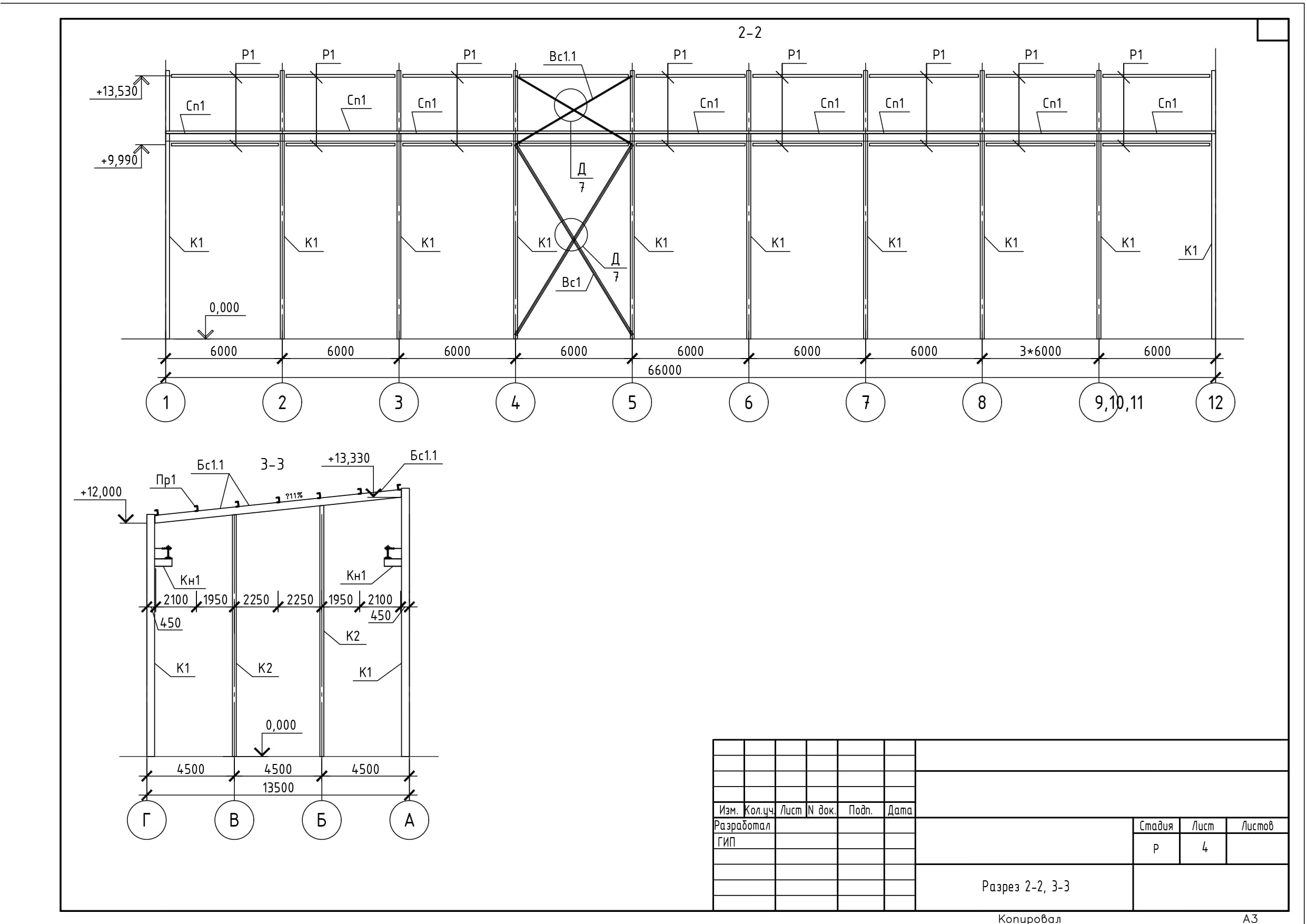
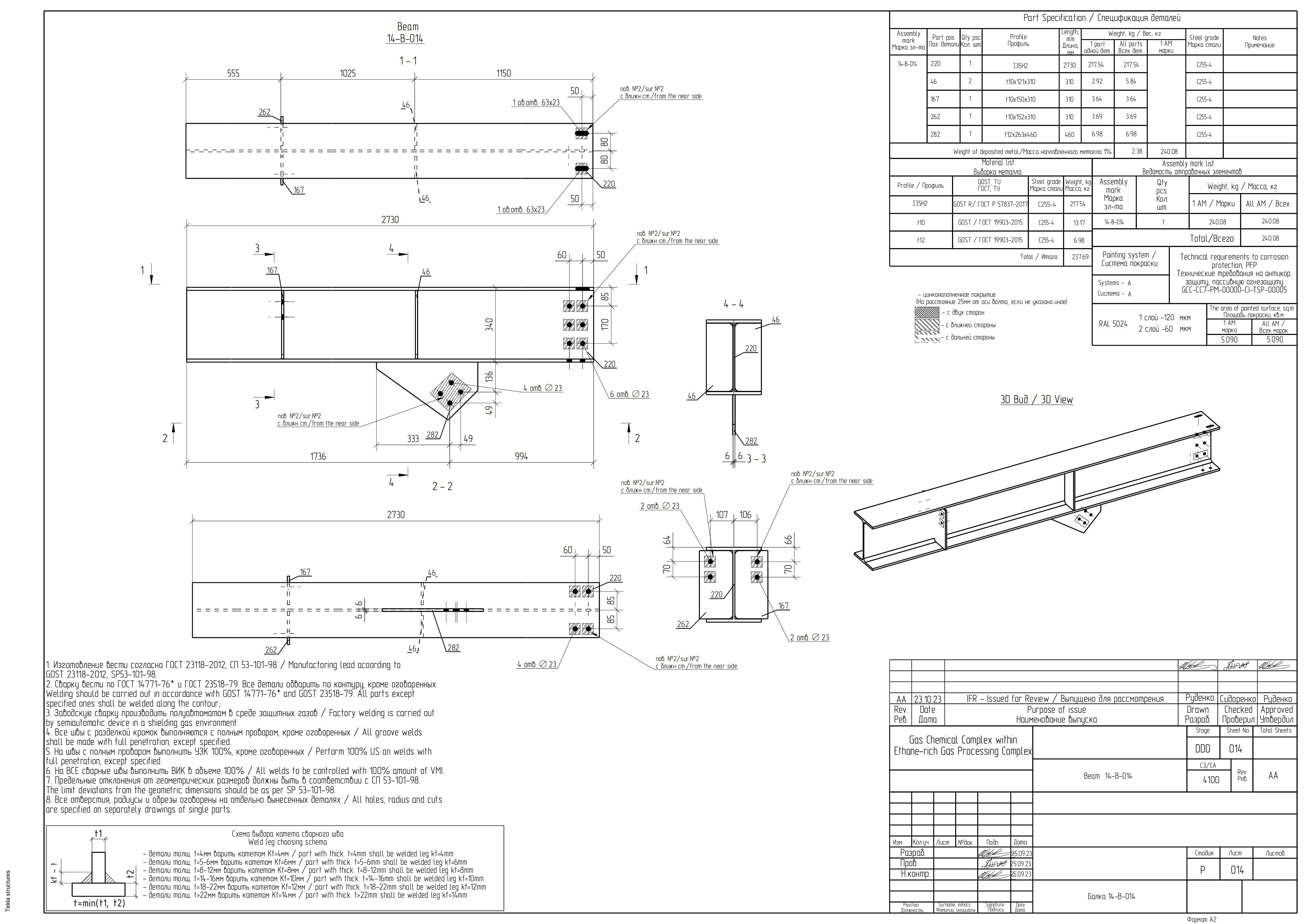
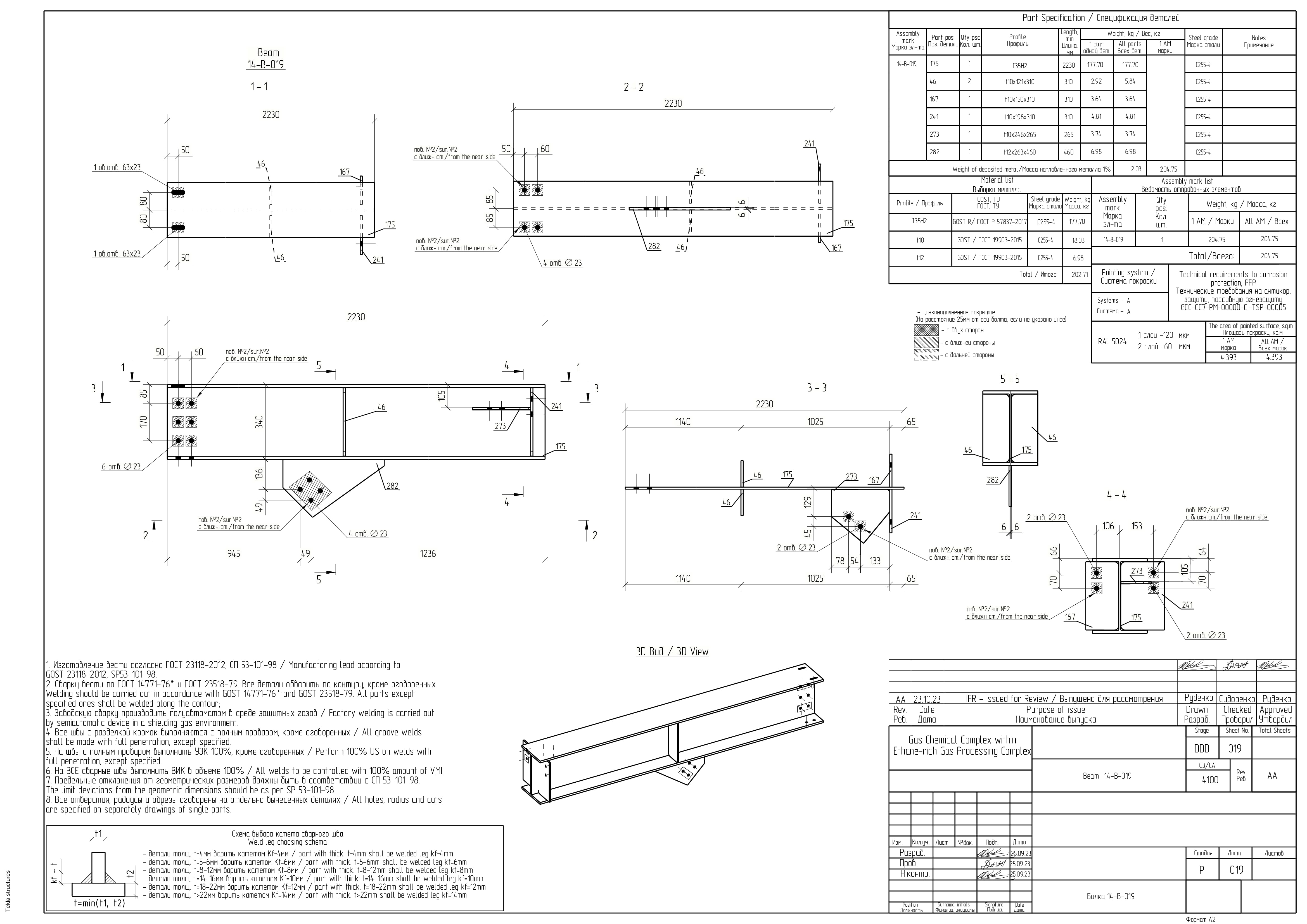
ПРИМЕРЫ РАБОТ
[ портфолио ]
Или свяжитесь с нам напрямую
Напишите нам
Позвоните нам
*Работаем по будням с 9:00 до 18:00
Оставьте заявку, и мы свяжемся с вами в течение 30 минут*
получите скидку 20% на первый проект
ОТВЕТЫ НА ЧАСТЫЕ ВОПРОСЫ
[ FAQ ]
Можете оценить, насколько удачно выбранное решение?
Можно ли согласовывать решения на этапе разработки?
Остаётесь ли вы на связи после сдачи проекта?
Как происходит подбор сечений?
Можно ли получить расчёты по проекту?
СВЯЖИТЕСЬ с нами любым удобным для вас способом
[ Контакты ]
Режим работы Пн-Пт | 9:00 — 18:00
Или свяжитесь с нам напрямую
Напишите нам
Позвоните нам
г.Белгород,ул Щорса 8 офис 51
ПРОЕКТНАЯ КОМПАНИЯ
ООО "СТРОЙТЕХАЛЬЯНС-КМД"
ООО "СТРОЙТЕХАЛЬЯНС-КМД"